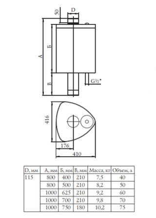
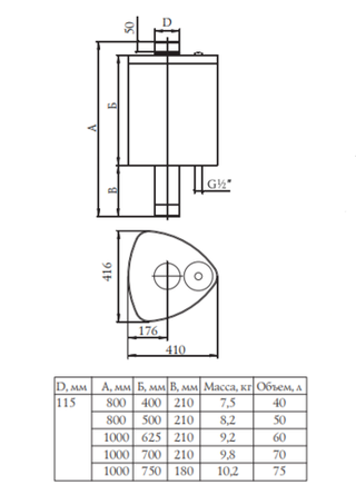
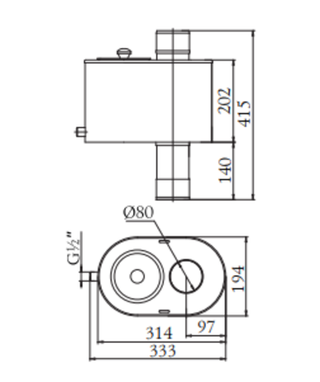
Баки выносного типа закрепляются на стене смежного с парилкой помещения (в моечной) в удобном для Вас месте и подсоединяются к теплообменнику с помощью трубопровода. Нагрев воды в баке происходит за счёт её циркуляции через теплообменник. Теплообменник может быть встроенным в банную печь или натрубным. Баки «самоварного» типа устанавливаются на выходной патрубок дымохода банной печи. Нагрев воды в них происходит за счёт тепла уходящих в трубу газов.
